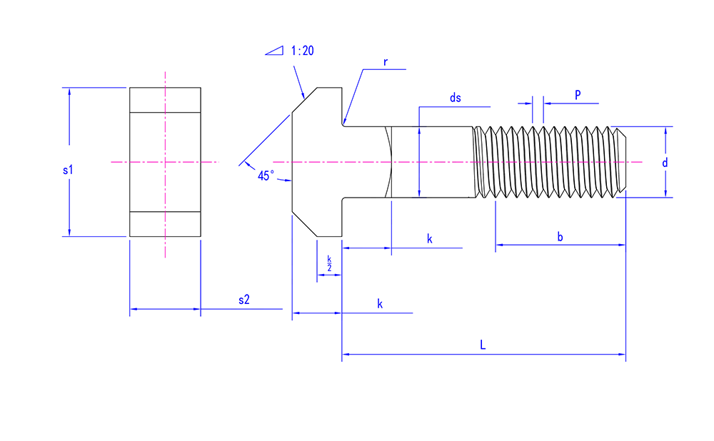
DIN186 ruostumattomasta teräksestä valmistetut T-kantaiset pultit neliömäisillä kaulapulteilla
| Pään ominaisuudet | T-tyyppinen pää, joka estää pyörimisen, neliömäinen kaula |
| Tangon ominaisuudet | Kaksinkertainen pyörimisen esto |
| Ydin tarkoitus | Estää pyörimisen, lisää vakautta |
| Edut ja ominaisuudet | Neliömäinen kaularakenne estää pultin pyörimisen, sopii raskaaseen kiinnitykseen |
| Tyypilliset käyttötavat | Estä pyöriminen, suuren kuormituksen liitännät, kuten suuret laitteet, raskaat koneet. |
| Valinnan keskeiset indikaattorit | T-pään muoto, neliömäinen kaulan koko, pultin pituus, halkaisija, kierteen pituus, materiaali. |
| Toimialakohtaiset vaatimukset | Raskaat koneet: sopii laitteisiin, joissa on suuri kuormitus ja tarve estää pultin pyöriminen. Autoteollisuus: käytetään vahvoihin liitoksiin, jotka estävät pultin pyörimisen. |

















